MR-JE三菱伺服電機HG-KNJ-S100各系列外形尺寸圖
三菱MR-JE系列伺服驅動器有MR-JE-A、MR-JE-B、MR-JE-C三種,但它們所配的伺服電機都是通用的。
MR-JE伺服電機HG-KN不帶電磁制動器型號有:
HG-KN13J-S100、HG-KN23J-S100、HG-KN43J-S100、HG-KN73J-S100。
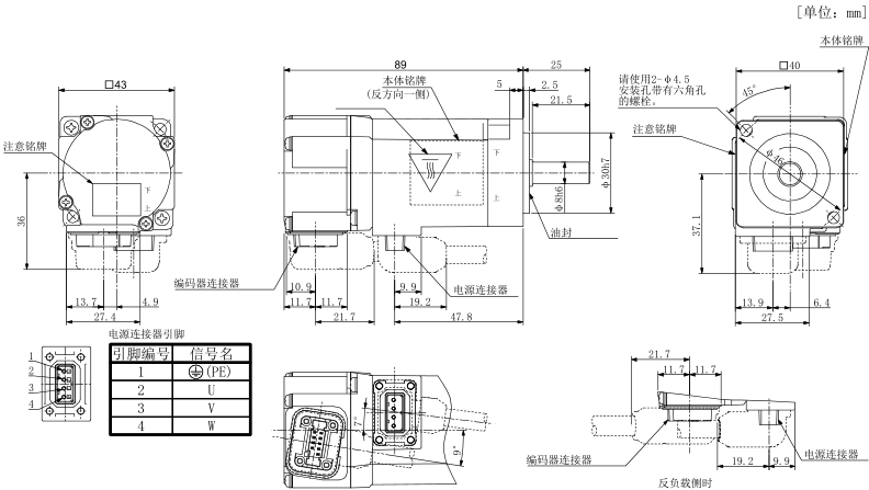
1、HG-KN13J-S100外形尺寸圖
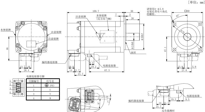
2、HG-KN23J-S100外形尺寸圖
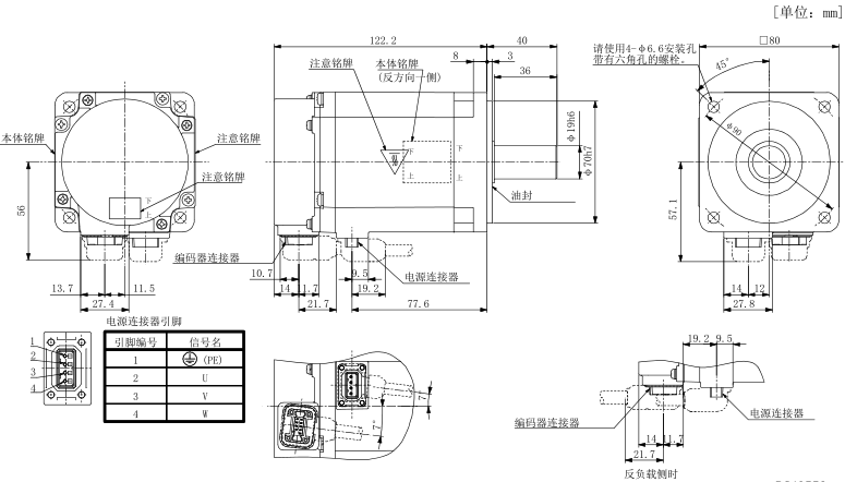
3、HG-KN43J-S100外形尺寸圖

4、HG-KN73J-S100外形尺寸圖

深圳海藍機電設備有限公司專業從事三菱工控自動化產品的銷售批發的企業:三菱plc、三菱變頻器、三菱伺服電機、三菱觸摸屏、各種三菱產品配件附件模塊等。特殊規格均可供應,擁有價格優勢與龐大的庫存,可以確保準時交貨,品質保證,可提供24小時上門服務,實體保障,值得信賴!服務熱線:13823726967
猜您喜歡:MR-JE-40A|三菱伺服電機JE系列|三菱官網推薦|100%日本原裝進口|MR-JE-40A伺服配件現貨銷售
本文關鍵詞:HG-KN13J-S100外形尺寸圖,HG-KN23J-S100外形尺寸圖,HG-KN43J-S100外形尺寸圖,HG-KN73J-S100外形尺寸圖,三菱伺服電機
相關內容
發表評論
| 姓名: | |
| 內容: | |
| 驗證碼: |
|
1.尊重網上道德,遵守中華人民共和國的各項有關法律法規,不發表攻擊性言論。 |




評論信息