三菱PLC L系列定位模塊LD75D4使用方法
一、主要特點
(1) 模塊型號
·開集電極輸出型: LD75P1/LD75P2/LD75P4
·差動驅動輸出型: LD75D1/LD75D2/LD75D4
(2) 高速啟動時間
定位控制啟動時間達到了 1.5ms(1 軸直線控制時)的高速。
(3) 高速脈沖輸出
使用差動驅動輸出型 LD75D□時,可以實現高速脈沖輸出和遠距離驅動器模塊連
接。
·使用 LD75D□時: 4Mpulse/s,最大 10m
二:引腳定義
三、參數設置
1. 軟件組態
新建工程→添加智能功能模塊(如下圖)

2. 設置軸參數
根據實際情況設置每個軸的參數,如下所示:

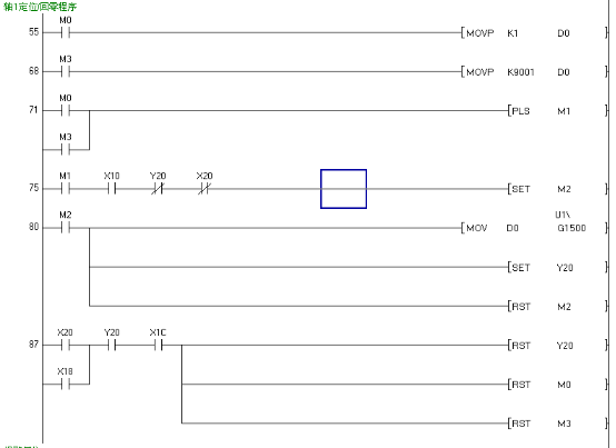
四、編寫程序
深圳海藍機電15年專業從事原裝進口三菱plc、三菱變頻器、三菱觸摸屏、三菱伺服電機,機器人等三菱代理,備有現貨庫存達2000多種,只做原裝正品,不僅為您提供貨期最快捷的產品,更注重為您提供準確的現場技術服務!




評論信息